Ед. измерения:
Штука
Код:
18774

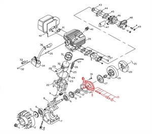
Х43 Масляный насос Champion 255

Количество:
Доступно
708
Есть в наличии

Масляный насос 9228-310208 для бензопилы Champion 255.
Деталировка: позиция 15
Масляный насос - 1 шт.

Доставка

Отзывы

+ добавить свой
Закрыть
Ваш город - ст. Каневская,
угадали?